Researchers call for large-scale scientific investigation into fake news
The indictment of 13 Russians in the operation of a "troll farm" that spread false information related to the 2016 U.S. presidential election has...
The enemy within: Gut bacteria drive autoimmune disease
Bacteria found in the small intestines of mice and humans can travel to other organs and trigger an autoimmune response, according to a new...
Studies point to smarter way to learn procedures, solve problems
Easy as 1, 2, 3! Such claims have touted the ease of use of a new gadget, although a closer look would reveal that...
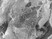
Enzyme ensures thick insulation
ETH researchers have revealed that Schwann cells in the peripheral nervous system largely produce their own fatty acids in order to create electrical insulation...
Wildlife conservation in North America may not be science-based after all
A study led by recent SFU PhD alumnus Kyle Artelle has unveiled new findings that challenge the widespread assumption that wildlife management in North...
Study assesses the strengths of research synthesis over 40 years
Figuring out what is true in science when researchers are bombarded with information from many different studies is a challenge. A new paper, published...
Diverse tropical forests grow fast despite widespread phosphorus limitation
Accepted ecological theory says that poor soils limit the productivity of tropical forests, but adding nutrients as fertilizer rarely increases tree growth, suggesting that...
All power to the proton : Researchers make battery breakthrough
Researchers from RMIT University in Melbourne, Australia have demonstrated for the first time a working rechargeable "proton battery" that could re-wire how we power...
Birth of new neurons in the human hippocampus ends in childhood
One of the liveliest debates in neuroscience over the past half century surrounds whether the human brain renews itself by producing new neurons throughout...
NASA Juno finds Jupiter’s jet-streams are unearthly
Data collected by NASA's Juno mission to Jupiter indicate that the atmospheric winds of the gas-giant planet run deep into its atmosphere and last...
Slow-release hydrogel aids immunotherapy for cancer
(adsbygoogle = window.adsbygoogle || ).push({});
An immunotherapy drug embedded in a slow-release hydrogel invented at Rice University in collaboration with the University of Texas Health...













